Wyślij do nas e-mail
Produkty
VU07 Zawór elektromagnetyczny próżniowy 3-drogowy
  • VU07 Zawór elektromagnetyczny próżniowy 3-drogowyVU07 Zawór elektromagnetyczny próżniowy 3-drogowy
  • VU07 Zawór elektromagnetyczny próżniowy 3-drogowyVU07 Zawór elektromagnetyczny próżniowy 3-drogowy
  • VU07 Zawór elektromagnetyczny próżniowy 3-drogowyVU07 Zawór elektromagnetyczny próżniowy 3-drogowy

VU07 Zawór elektromagnetyczny próżniowy 3-drogowy

Jako profesjonalna produkcja, OLK pragnie dostarczyć 3-drogowy elektrozawór podciśnieniowy VU07. A OLK zaoferuje najlepszą obsługę posprzedażną i terminową dostawę.

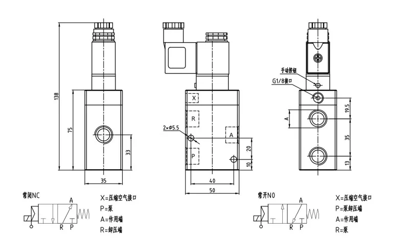
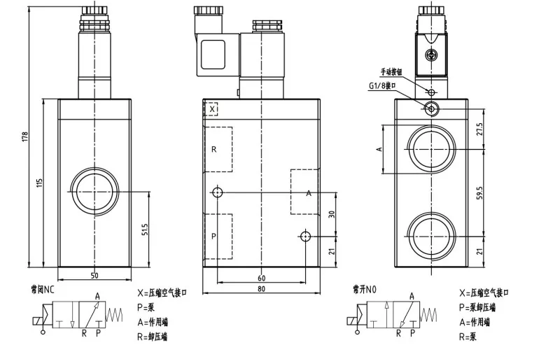
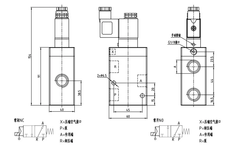
Trójdrogowy elektrozawór próżniowy VU07 dostępny z wewnętrznym lub zewnętrznym sterowaniem pilotem. Korpus zaworu wykonany jest ze stopu aluminium z niebieskim kolorem i ma duży otwór zapewniający dużą przepustowość.

Nadaje się do pracy w próżni (–100 kPa) i niskim nadciśnieniu (0–0,5 MPa).

Rozmiary portów gwintowanych (P,A,R) są dostępne w wersjach G3/8, G1/2 i G1, a port sprężonego powietrza (X) w wersji G1/8.

Główne zastosowania

Trójdrożny zawór elektromagnetyczny próżniowy jest stosowany głównie w: agregatach próżniowych, paletyzatorach ssących, robotach, podajnikach, urządzeniach do otwierania worków. Oraz innych zastosowaniach, które wymagają szybkiego przełączania między ssaniem próżniowym a atmosferą, umożliwiając szybki powrót do ciśnienia atmosferycznego.

VU07 3-drogowy zawór elektromagnetyczny podciśnienia.Cechy:

·Duża przepustowość

·Nadaje się do stosowania w próżni i niskim ciśnieniu (próżnia: –100 kPa, niskie ciśnienie: 0–0,5 MPa)

·Dostępne w wersjach normalnie zamkniętych (NC) i normalnie otwartych (NO).

·Opcjonalne sterowanie pilotem wewnętrznym lub zewnętrznym

VU07 Trójdrogowy zawór elektromagnetyczny podciśnienia Symbol

Kod zamówienia

VU07

02

11

-

D2448

W

Model:

Rozmiar portu:

Kontrola:

 

Woltaż:

Typ pilota:

Zawór elektromagnetyczny podciśnienia serii VU07

02: G3/8

11: Elektryczny

 

D2448: DC24V 4,8 W

Puste: Pilot wewnętrzny

 

03:G1/2

31: Powietrze

 

A22060: AC220V 6VA

W: Pilot zewnętrzny

 

05:G1

 

 

 

 

 

Model

A

Maksymalne natężenie przepływu (m³/h)

Próżnia (Min.: mbar – Maks.: abs)

Czas odpowiedzi (ms) Pod napięciem

Czas reakcji (ms) Brak zasilania

Port

Powierzchnia portu (mm²)

X Ciśnienie sterujące (bar)

Waga (kg)

VU07 02 11

G3/8

10

1000    0,5

16

27

11.5

103.8

4-7

 

VU07 02 11

G1/2

20

1000    0,5

16

40

15

176

6-7

 

VU07 02 11

G1

90

1000    0,5

18

42

25

490

6-8



Często zadawane pytania:

Jaki jest rozmiar gwintu zaworu podciśnieniowego VU07?

VU0702: G3/8; VU0703: G1/2; VU0705: G1


Jakie napięcia są dostępne dla elektrozaworu podciśnienia VU?

Podciśnieniowy zawór elektromagnetyczny VU jest dostępny w wersjach DC24V 4,8W i AC220V 6VA.


Jaki jest rozmiar przyłącza sprężonego powietrza na zaworze VU?

Wszystkie porty sprężonego powietrza to G1/8.


Co oznacza jednostka wskaźnika wycieku „Torr·L/s”?

„Torr·L/s” jest popularną jednostką pomiaru natężenia nieszczelności w systemach o wysokiej lub bardzo wysokiej próżni.

Torr: jednostka ciśnienia (1 Torr ≈ 133,3 Pa)

L: litr (jednostka objętości)

s: sekunda (jednostka czasu)

Zatem „Torr·L/s” wskazuje ilość gazu (w torach × litrach) wyciekającego na sekundę, co odzwierciedla skuteczność uszczelniania systemu lub komponentu.


Czy istnieje jakieś powiązanie pomiędzygenerator próżnii elektrozawór podciśnienia?

1.Kontrola zasilania próżniowego

Generator podciśnienia wytwarza podciśnienie za pomocą sprężonego powietrza, natomiast elektrozawór podciśnienia pełni rolę przełącznika.

Gdy zawór jest otwarty, podciśnienie łączy się z przyssawką lub przewodem podciśnieniowym.

Gdy zawór jest zamknięty, podciśnienie zostaje odcięte.


2. Szybkie przełączanie między próżnią a atmosferą

Podczas kompletacji zawór utrzymuje podciśnienie podłączone.


Aby zwolnić obrabiany przedmiot, zawór przełącza się na atmosferę, przez co przyssawka szybko traci siłę ssania.


3.Oszczędność energii

W systemach energooszczędnych zawór elektromagnetyczny może zatrzymać dopływ sprężonego powietrza po osiągnięciu wymaganego poziomu podciśnienia, zmniejszając zużycie powietrza.


4.Typowe zastosowania

Paletyzatory ssące

Zautomatyzowane linie montażowe (sterowane przez PLC)

Robotyczne systemy chwytające


Gorące Tagi: 3-drogowy elektrozawór próżniowy VU07, Chiny, producent, dostawca, fabryka
Wyślij zapytanie
Informacje kontaktowe
Witamy na naszej stronie internetowej! Jeśli masz pytania dotyczące naszych produktów lub cennika, zostaw nam swój adres e-mail, a my skontaktujemy się z Tobą w ciągu 24 godzin.
E-mail
cici@olkptc.com
mobilny
+86-13736765213
Adres
Zhengtai Road, strefa przemysłowa Xinguang, Liushi, Yueqing, Wenzhou, Zhejiang, Chiny.
X
Używamy plików cookie, aby zapewnić lepszą jakość przeglądania, analizować ruch w witrynie i personalizować zawartość. Korzystając z tej witryny, wyrażasz zgodę na używanie przez nas plików cookie. Polityka prywatności
Odrzucić Przyjąć