Wyślij do nas e-mail
Produkty
Pneumatyczny zawór przełączający TAC
  • Pneumatyczny zawór przełączający TACPneumatyczny zawór przełączający TAC

Pneumatyczny zawór przełączający TAC

Jako profesjonalny producent, OLK chciałby dostarczyć Ci pneumatyczny zawór przełączający TAC. A OLK zaoferuje najlepszą obsługę posprzedażną i terminową dostawę.

Pneumatyczny zawór przełączający TAC (znany również jako zawór przełączający) to precyzyjny element przełączający, specjalnie zaprojektowany do układów pneumatycznych i kontroli płynów. Dzięki unikalnej strukturze sterowania typu przełączanego umożliwia szybkie przełączanie i precyzyjną kontrolę ścieżek płynu.

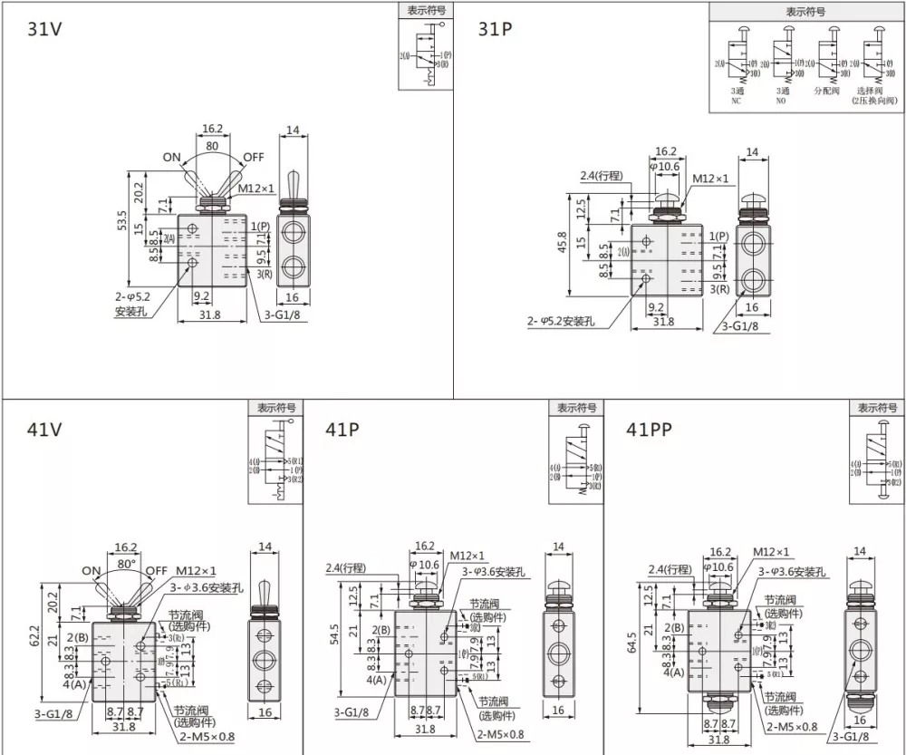
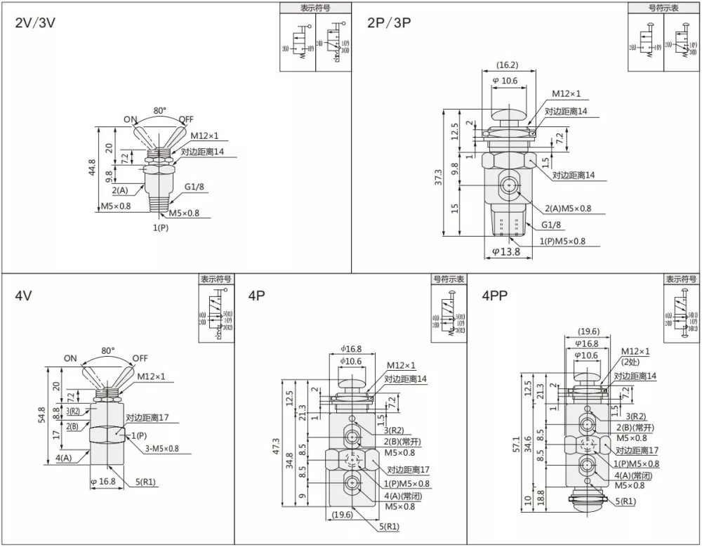
Zawór przełączający serii TAC ma 2 pozycje 2-drogowe, 2 pozycje 3-drogowe i 2 pozycje 5-drogowe. Można wybrać różne typy dźwigni i dwa typy gwintów: M5, G1/8.

Scenariusze zastosowań

Urządzenia automatyki przemysłowej, obróbka mechaniczna, obróbka materiałów budowlanych, energetyka i górnictwo, przemysł spożywczy i napojów, sprzęt medyczny itp.

Cechy produktu

Ma niewielkie rozmiary, wymaga niewielkiej przestrzeni instalacyjnej i jest intuicyjny w obsłudze ręcznej, dzięki czemu nadaje się do scenariuszy wymagających częstego przełączania.

Symbol i zarys zaworu przełączającego TAC

Kod Oderinga

TAC

2

__

2

P

 

 

 

 

 

Zawór przełączający serii TAC

 

 

2:2 pozycja 2-kierunkowa (M5)

P: Typ przycisku push-pull

 

 

 

Pozycja 3:2, 3-drogowa (M5)

V: typ dźwigni ręcznej

 

 

 

Położenie 4:2, 5-kierunkowe (M5)

PP: podwójny przycisk push-pull

 

 

 

Pozycja 31:2, 3-kierunkowa (G1/8)

 

 

 

 

Położenie 41:2 5-kierunkowe (G1/8)

 

 

Model

Rozmiar portu

 

Numer
pozycji

Skuteczny  
powierzchnia przekroju

Zakres ciśnienia

Płyn roboczy

Otoczenia
Temperatura

 

TAC-2V

Wlot=Wylot=M5   

2 Pozycja 2 Way

1,9 mm²

0,05 ~ 0,9PPA

Powietrze

0 ~ 60

TAC-2P

Wlot=Wylot=M5   

2 Pozycja 2 Way

1,9 mm²

Tac-3V

Wlot=Wylot=M5   

2 pozycja 3 sposób

1,9 mm²

Tak-3p

Wlot=Wylot=M5   

2 pozycja 3 sposób

1,9 mm²

Tac-4V

Wlot=Wylot=M5   

2 pozycja 5-kierunkowa

1,9 mm²

TAC-4P

Wlot=Wylot=M5   

2 pozycja 5-kierunkowa

1,9 mm²

4PP

G1/8

 

2 pozycja 5-kierunkowa

4,5 mm²

TAC2-31V

Wlot=wylot=wylot=G1/8   

2 pozycja 3 sposób

4,5 mm²

TAC2-31P

Wlot=wylot=wylot=G1/8   

2 pozycja 3 sposób

4,5 mm²

TAC2-41V

Wlot=wylot=G1/8   wylot=M5

2 pozycja 5-kierunkowa

4,5 mm²

TAC2-41P

Wlot=wylot=G1/8   wylot=M5

2 pozycja 5-kierunkowa

4,5 mm²

TAC2-41PP

Wlot=wylot=G1/8   wylot=M5

2 pozycja 5-kierunkowa

4,5 mm²

Często zadawane pytania:

Jaka jest różnica między zaworem przełączającym a zaworem mechanicznym?

Można rozróżnić zawór przełączający i zawór mechaniczny według rodzaju sterowania: Zawór przełączający to typ trzymania dźwigni, zawór mechaniczny to typ przycisku push-pull lub typu rolkowego

 

Jaka jest różnica między zaworem przełączającym a innymi zaworami?

Precyzyjne sterowanie: zawory przełączające zapewniają precyzyjną regulację przepływu poprzez stożkowy rdzeń zaworu, który nadaje się do precyzyjnego sterowania w rurociągach o małej średnicy, natomiast zawory kulowe są bardziej odpowiednie do szybkiego otwierania i zamykania.

Gorące Tagi: Pneumatyczny zawór przełączający TAC, Chiny, producent, dostawca, fabryka
Wyślij zapytanie
Informacje kontaktowe
Witamy na naszej stronie internetowej! Jeśli masz pytania dotyczące naszych produktów lub cennika, zostaw nam swój adres e-mail, a my skontaktujemy się z Tobą w ciągu 24 godzin.
E-mail
cici@olkptc.com
mobilny
+86-13736765213
Adres
Zhengtai Road, strefa przemysłowa Xinguang, Liushi, Yueqing, Wenzhou, Zhejiang, Chiny.
X
Używamy plików cookie, aby zapewnić lepszą jakość przeglądania, analizować ruch w witrynie i personalizować zawartość. Korzystając z tej witryny, wyrażasz zgodę na używanie przez nas plików cookie. Polityka prywatności
Odrzucić Przyjąć